一、接觸器互鎖電動機正反轉控制電路
正向轉動控制:閉合電源開關Q,當按下正向起動按鈕SB2時,接觸器KM1的線圈得以通電并實現吸合動作。隨之,其主觸點閉合,同時常開輔助觸點也閉合,形成自鎖狀態,驅動電動機M正向旋轉。此時,KM1的常閉輔助觸點斷開,有效避免接觸器KM2通電。此時,電動機所連接的電源相序為A-B-C。
反向轉動控制:若要將電動機從正向旋轉切換為反向旋轉,需先按下停止按鈕SB1,使正轉電路斷開。隨后,按下反向起動按鈕SB3,接觸器KM2線圈通電并吸合,其主觸點和常開輔助觸點閉合,電動機M進入反轉狀態。與此同時,KM2的常閉輔助觸點斷開,防止接觸器KM1通電。此時,電動機所接電源相序變為C-B-A。
停止控制:若需停止電動機運行,直接按下停止按鈕SB1即可。
該控制電路在改變電動機轉向時,必須先按下停止按鈕,再按反轉起動按鈕,才能使電動機反轉。這種電路設計適用于需要可逆運行的各類生產機械,為其提供了可靠的正反轉控制功能,確保生產過程的靈活性和效率。
二、電動與自鎖混合電路


此電路在傳統控制基礎上增加了一個中間繼電器。當按下SB2時,中間繼電器KA形成自鎖,同時其自身的常開觸點閉合,使KM線圈得電。而當按下SB1時,KM和KA的線圈同時失電。若按下SB3,接觸器KM線圈得電;松開SB3時,KM線圈失電,實現點動控制。該電路結合了電動控制和自鎖功能,提供了更靈活的控制方式,滿足不同生產場景下的操作需求。
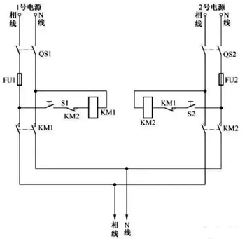
三、單相雙電源自動切換電路


雙電源切換技術在眾多領域得到了廣泛應用。該電路通過兩個接觸器實現自動切換功能。主電源的接觸器線圈與繼電器的常開觸點相連,而備用電源的接觸器線圈則與繼電器的常閉觸點相連。
主線路有電狀態:當主線路有電時,繼電器吸合,其常開觸點閉合,主線路得以導通。與此同時,常閉觸點斷開,備用電源處于不工作狀態。
主線路斷電狀態:一旦主線路斷電,繼電器也隨之斷電。常開觸點恢復初始斷開狀態,主線路斷開。此時,備用電路的接觸器通過繼電器的常閉觸點開始工作,確保電力供應的連續性。
這種單相雙電源自動切換電路在面對電力供應不穩定或需要備用電源保障的關鍵場合發揮著重要作用,如醫院、數據中心、工廠等,有效提高了電力系統的可靠性和穩定性,降低了因停電造成的損失和風險。
四、三相雙電源自動切換電路


該電路采用了繼電器KA的常開、常閉觸點與接觸器KM1、KM2的常開、常閉觸點組成的雙互鎖結構,顯著增強了電路的安全性和可靠性。通過精確的觸點控制和互鎖機制,確保在三相電源切換過程中,主電源和備用電源能夠平穩、準確地進行切換,避免了電源切換瞬間可能產生的電弧、短路等故障,為三相用電設備提供了穩定、可靠的電力保障,廣泛應用于對電力供應要求嚴格的工業領域和大型用電系統中。
五、一燈單控、雙控、三控的接線圖


一燈單控、雙控、三控接線圖分別適用于不同的照明控制場景。單控接線圖實現對單一燈具的簡單控制;雙控接線圖允許在兩個不同位置對同一燈具進行控制,方便用戶根據實際需求靈活操作;三控接線圖則進一步擴展了控制范圍,可在三個位置對燈具進行控制,滿足更復雜的照明控制需求,如樓道、走廊等場所的照明控制,提高了照明系統的便利性和實用性。
六、星三角降壓啟動電路


星三角降壓啟動電路是一種常用于三相電動機啟動的電路。在電動機啟動初期,將定子繞組接成星形,降低啟動電壓,減少啟動電流,減輕對電網的沖擊。當電動機轉速上升到一定值后,再將定子繞組切換成三角形,使電動機進入正常運行狀態。這種啟動方式有效地解決了三相電動機直接啟動時電流過大、對電網造成較大沖擊的問題,廣泛應用于風機、水泵等需要降壓啟動的三相電動機控制系統中,延長了電動機的使用壽命,提高了電網的穩定性。
〈烜芯微/XXW〉專業制造二極管,三極管,MOS管,橋堆等,20年,工廠直銷省20%,上萬家電路電器生產企業選用,專業的工程師幫您穩定好每一批產品,如果您有遇到什么需要幫助解決的,可以直接聯系下方的聯系號碼或加QQ/微信,由我們的銷售經理給您精準的報價以及產品介紹
〈烜芯微/XXW〉專業制造二極管,三極管,MOS管,橋堆等,20年,工廠直銷省20%,上萬家電路電器生產企業選用,專業的工程師幫您穩定好每一批產品,如果您有遇到什么需要幫助解決的,可以直接聯系下方的聯系號碼或加QQ/微信,由我們的銷售經理給您精準的報價以及產品介紹
聯系號碼:18923864027(同微信)
QQ:709211280

