同步整流是采用通態電阻極低的專用功率MOSFET,來取代整流二極管以降低整流損耗的一項新技術。它能大大提高DC/DC變換器的效率并且不存在由肖特基勢壘電壓而造成的死區電壓。
Buck電路是由一個功率晶體管開關Q與負載串聯構成的,其電路如圖3.1。驅動信號ub周期地控制功率晶體管Q的導通與截止,當晶體管導通時,若忽略其飽和壓降,輸出電壓uo等于輸入電壓;當晶體管截止時,若忽略晶體管的漏電流,輸出電壓為0。電路的主要工作波形如圖3.2。

同步整流buck電路原理
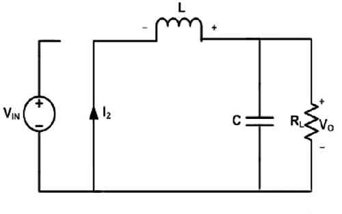
同步整流buck電路圖如下:

同步整流結構:用功率mosfet替代整流二極管,可以提高轉換器效率。
buck變換器的輸出電壓平均值總是小于輸入電壓
當流過電感的電流在每個周期不會降為0時,定義變換器工作于連續導通模式。

變換器開關導通時等效電路圖

變換器開關管關斷時等效電路圖如圖:


在整個開關周期內,電感都傳遞能量給濾波電容和負載,而濾波電容每個周期的平均電流為0,其能量的變化量為0。故輸出負載電流等于電感電流平均值:

〈烜芯微/XXW〉專業制造二極管,三極管,MOS管,橋堆等,20年,工廠直銷省20%,上萬家電路電器生產企業選用,專業的工程師幫您穩定好每一批產品,如果您有遇到什么需要幫助解決的,可以直接聯系下方的聯系號碼或加QQ/微信,由我們的銷售經理給您精準的報價以及產品介紹
聯系號碼:18923864027(同微信)
QQ:709211280

