逆變電路(Inverter Circuit)是與整流電路(Rectifier)相對應,把直流電變成交流電稱為逆變。逆變電路可用于構成各種交流電源,在工業中得到廣泛應用。
為了提高所設計的激勵電源輸出功率和工作頻率,逆變電路采用全橋逆的方式,相對于單管和半橋逆變電路,全橋逆變的輸出功率更高、開關損耗更小、可接納的控制方式更多。
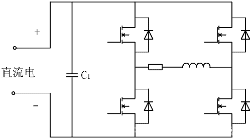
全橋逆變電路如下圖所示:


設計全橋電路的三個要點:
1.MOS/IGBT的柵極引腳部分的電路:
簡單來說就是驅動全橋電路就是驅動信號驅動MOS/IGBT的柵極,但是驅動信號直接送到柵極上是不可以的,因為MOS/IGBT柵極結構原因,存在電容,如果驅動信號不輔助柵極部分的硬件電路會使MOS/IGBT一直導通,造成全橋電路中的四個管全部導通,結果可想而知。
解決方案比如下圖所示:


2.MOS/IGBT的保護電路:
MOS/IGBT管具有較脆弱的承受短時過載能力,所以在應用時必須為其設計合理的保護電路來提高器件的可靠性。常見的保護電路有很多種,比如RC保護電路或者RCD保護電路。
本次設計采用的是RCD 緩沖吸收電路和MOS管構成全橋逆變電路,將直流高壓電轉換為交流激勵信號。


3. 全橋電路的器件選型問題:
全橋電路中每一個器件的選型都尤為重要,可能哪一個器件的承受值不滿足可能會造成整個全橋電路癱瘓。比如MOS管的選型,在計算最大工作頻率時要關注MOS管的上升和下降時間,以及保護電路的器件特性等。
本次設計的全橋逆變電路(IRFP460MOS管、水泥電阻、聚酯膜電容以及快恢復二極管等),其中最高工作頻率以及耐壓耐流主要看所選擇的器件(IGBT工作頻率會低一些,但是耐壓耐流值高)。
下圖是全橋逆變電路的輸出波形:


下圖是本次設計中采樣電阻采到的波形(可以看出峰峰值電流達到100A)。

〈烜芯微/XXW〉專業制造二極管,三極管,MOS管,橋堆等,20年,工廠直銷省20%,上萬家電路電器生產企業選用,專業的工程師幫您穩定好每一批產品,如果您有遇到什么需要幫助解決的,可以直接聯系下方的聯系號碼或加QQ/微信,由我們的銷售經理給您精準的報價以及產品介紹

〈烜芯微/XXW〉專業制造二極管,三極管,MOS管,橋堆等,20年,工廠直銷省20%,上萬家電路電器生產企業選用,專業的工程師幫您穩定好每一批產品,如果您有遇到什么需要幫助解決的,可以直接聯系下方的聯系號碼或加QQ/微信,由我們的銷售經理給您精準的報價以及產品介紹
聯系號碼:18923864027(同微信)
QQ:709211280

