A7整流二極管參數,A7封裝,A7正負極,A7規格書資料
A7整流二極管,A7二極管封裝為SOD-123,A7參數規格書,A7的應用介紹
A7整流二極管,A7二極管封裝為SOD-123,A7參數規格書,A7的應用介紹

A7整流二極管參數規格書: 點擊查看
A7整流二極管,SOD-123封裝參數如下:
Maximum repetitive peak reverse voltage VRRM 最高反向峰值電壓:1000V
Maximum DC blocking voltage VDC 最大直流閉鎖電壓:1000V
Maximum average forward rectified current I(AV) 最大正向平均整流電流:1.0A
Maximum instantaneous forward voltage at 1.0A VF 1.0A時的最大瞬時正向電壓:1.0V
Maximum DC reverse current at rated DC blocking voltage TA=25℃ IR 額定直流阻斷電壓下的最大直流反向電流:10uA
Maximum DC reverse current at rated DC blocking voltage TA=125℃ IR 額定直流阻斷電壓下的最大直流反向電流:50uA
Operating junction and storage temperature range TJ,TSTG 工作溫度和存儲溫度范圍:-55to +150℃
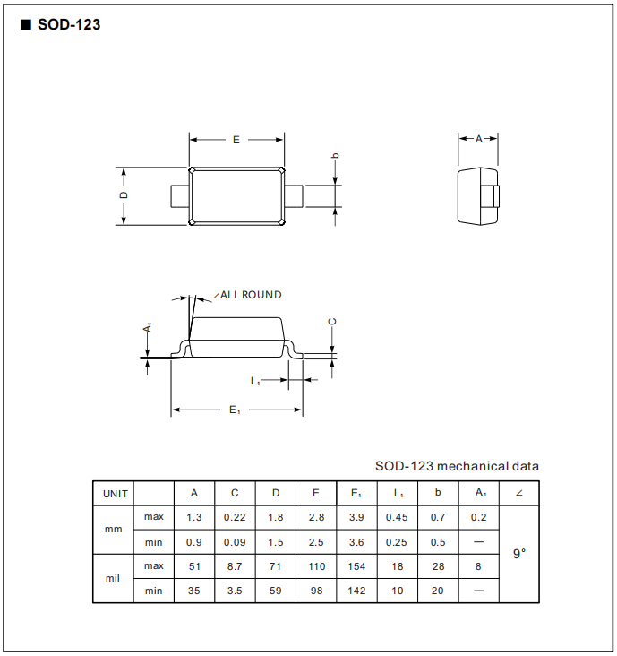
A7整流二極管,SOD-123封裝尺寸:

A7快恢復二極管,SMA封裝尺寸:

〈烜芯微/XXW〉專業制造二極管,三極管,MOS管,橋堆等,20年,工廠直銷省20%,上萬家電路電器生產企業選用,專業的工程師幫您穩定好每一批產品,如果您有遇到什么需要幫助解決的,可以直接聯系下方的聯系號碼或加QQ/微信,由我們的銷售經理給您精準的報價以及產品介紹
聯系號碼:18923864027(同微信)
QQ:709211280


