SS22是貼片肖特基二極管,2A 20V,SS22封裝有SMA,SMB,SOD-123多種封裝,其參數一致,封裝尺寸不同
SS22/SMA封裝參數: 點擊下載
SS22/SMB封裝參數: 點擊下載
SS22/SOD-123封裝參數: 點擊下載

SS22參數如下:

Maximum repetitive peak reverse voltage VRRM 最高反向峰值電壓:20V
Maximum DC blocking voltage VDC 最大直流閉鎖電壓:20V
Maximum average forward rectified current I(AV) 最大正向平均整流電流:2.0A
Maximum instantaneous forward voltage at 2.0A VF 2.0A時的最大瞬時正向電壓:0.55V
Maximum DC reverse current at rated DC blocking voltage TA=25℃ IR 額定直流阻斷電壓下的最大直流反向電流:0.5mA
Maximum DC reverse current at rated DC blocking voltage TA=125℃ IR 額定直流阻斷電壓下的最大直流反向電流:0.2mA
Operating junction and storage temperature range TJ,TSTG 工作溫度和存儲溫度范圍:-55to +150℃
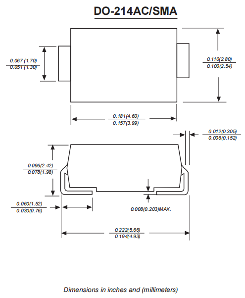
SMA封裝尺寸:


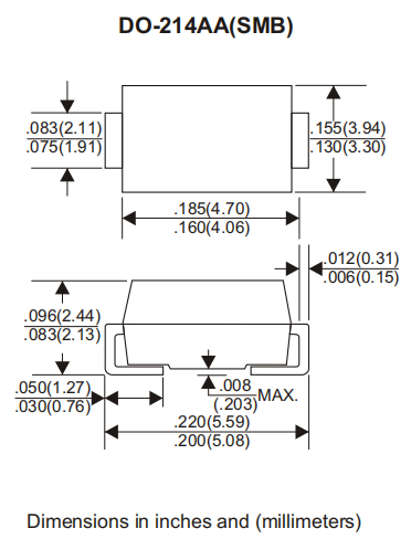
SMB封裝尺寸:


SOD-123封裝尺寸:


聯系號碼:18923864027(同微信)
QQ:709211280
烜芯微專業制造二極管,三極管,MOS管,橋堆等,20年,工廠直銷省20%,上萬家電路電器生產企業選用,專業的工程師幫您穩定好每一批產品,如果您有遇到什么需要幫助解決的,可以直接聯系上方的聯系號碼或加QQ,由我們的銷售經理給您精準的報價以及產品介紹

