電子設備的供電離不開直流電源,直流電源的作用主要是將交流電轉換為穩定的直流電。現代電子設備不僅要求直流電源輸出穩定的直流電,對電路的效率也要求越來越高,要求電源要耐用、體積要小等。開關電源的調整管因工作在開關狀態,功耗很小,所以開關電源的效率非常高、同時又具備輸出穩定、體積小等優點,因此設計和開發高性能的開關電源具有很大的市場前景。本文基于UC3842PWM控制芯片設計了一種反激式AC-DC開關電源,輸入電壓為交流80?265V,輸出電壓為直流12V電流5A,電壓紋波<±50mV。
1.UC3842內部結構
UC3842是應用比較廣泛的一種電流控制型PWM(PulseWidthModulation,脈沖寬度調制)控制器,其內部結構原理圖如圖1所示。主要由振蕩器、誤差放大器、電流檢查比較器、PWM鎖存器、基準電壓等功能模塊構成。

圖1 UC3842的內部結構圖
2.AC-DC開關電源總體設計框圖
AC-DC開關電源的總體設計框圖如圖2所示。電路主要由輸入保護電路和EMI(Electron-MagneticInterference:電磁干擾)濾波器、輸入整流濾波電路、功率開關管、高頻變壓器、輸出整流濾波電路、PWM控器電路及電壓反饋電路等部分組成。

圖2 AC-DC開關電源設計框圖
80?265V交流電經過輸入整流濾波獲得直流高壓,再由功率開關管Q斬波、高頻變壓器T降壓,得到高頻矩形波電壓,然后通過輸出整流濾波后獲得所需要的直流輸出電壓Uo。PWM調制器產生頻率固定而脈沖寬度可隨反饋信號調節的驅動信號,控制開關管的通、斷時間,從而達到自動穩定輸出電壓和輸出電流的目的。
3.單元電路設計
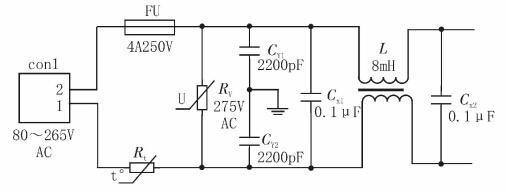
3.1輸入保護電路和EMI濾波器
輸入保護電路和EMI(Electron-MagneticInterference:電磁干擾)濾波電路設計如圖3所示。電路中熔絲管FU,熱敏電阻Ri和壓敏電阻Rv構成輸入保護電路,當輸入發生短路等故障時能快速切斷電源,保護電路。壓敏電阻Rv可旁路浪涌電壓,防雷擊保護。

圖3 輸入保護電路和EMI濾波器
EMI濾波電路由共模扼流圈L、濾波電容Cx1、Cx2、CY1、CY2構成,能有效濾除電網高頻噪聲,提高電子設備的抗干擾能力及系統的可靠性。當出現共模干擾時,由于L的兩個磁通方向相同,經過耦合對共模信號呈現很大的感抗,使之不易通過。Cx1和Cx2跨接在兩條電源線之間,可用來濾波線間干擾,即串模干擾;CY1和CY2串聯后接在兩條電源線之間,并將電容器中點接大地,能有效抑制共模干擾。
3.2輸入整流濾波電路
輸入整流濾波電路采用橋式整流電容濾波電路結構,如圖4所示。50Hz交流電壓經過全波整流后變成脈動直流電壓,再經過濾波電容濾波得到直流高壓電U1。

圖4 輸入整流濾波電路
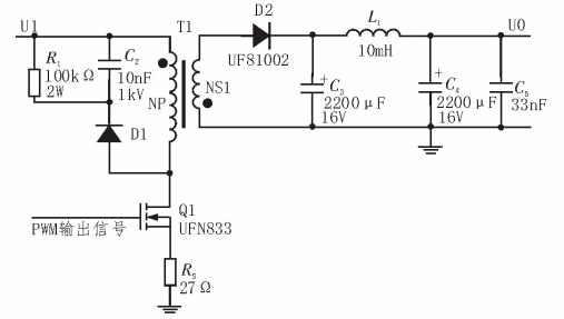
3.3反激變換器
DC-DC變換器采用的是反激變換器拓撲結構,如圖5所示,包括功率開關管Q1、高頻變壓器T1及輸出整流濾波電路。

圖5 反激變換器
Q1功率開關管的柵極接PWM輸出信號,當柵極輸入高電平時,開關管導通,輸入低電平時,開關管截止。當開關管導通時,電流流過變壓器初級線圈Np,而此時次級整流二極管截止,次級無電流流過,電能儲存在高頻變壓器的初級電感線圈中Np中;當開關管關斷時,初級線圈電流關斷,所有繞組電壓反向,整流二極管導通,初級線圈上的電能傳輸給次極繞組,并經過次級整流二極管D2整流、C3、C4、C5、L1組成的π型濾波器濾波后得到所需直流電壓。
圖中D1、C1、R1構成漏極鉗位保護電路。當開關管由導通變成截止時,在一次繞組上產生尖峰電壓和感應電壓,與直流高壓疊加在MOS管的漏極,很容易擊穿開關管,漏極保護電路則可吸收產生的尖峰電壓。
3.4PWM控制電路
PWM控制電路采用UC3842集成芯片進行設計,如圖6所示。

圖6 PWM控制電路
電路中變壓器的另一次級繞組NS2及其所連接的二極管D3、電容元件C6、C7構成反激式開關電源的另一路直流輸出為UC3842提供直流電壓。
在UC3842的1腳和2腳之間并接R2和C8,對內部誤差放大器進行補償。輸出反饋電壓經2腳送到內部的誤差比較放大器,與內部的基準電壓進行比較,產生的誤差信號送到內部電流檢測比較器。流過開關管的電流(即初級電感導通時電流)經過R8采樣,轉換成電壓,經R4和C11高頻濾波后送入到芯片3腳。
內部振蕩電路頻率由4腳外接的R3和C10確定,內部振蕩電路的頻率決定PWM輸出脈沖信號的頻率,而PWM輸出信號的脈沖寬度則隨反饋電壓的大小而變化。如果2腳的反饋電壓變高,則PWM控制電路會使輸出脈沖的寬度變窄,占空比減小,功率開關管Q1的導通時間變短。
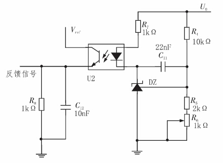
3.5電壓反饋電路
電壓反饋電路采用線性光電耦合器、三端可調穩壓管以及由R4、R5、R6組成輸出電壓采樣電路組成,設計電路如圖7所示。

圖7 電壓反饋電路
輸出電壓經米樣電阻R4、R5、R6分壓,分壓后的電壓控制可調穩壓管DZ的穩壓值。當輸出電壓降低時,經采樣電阻分壓后輸入到可調穩壓管DZ的參考電壓也降低,可調穩壓管的穩壓值減小,從而流過光耦中發光二極管的電流增加,光增強,流過光耦中光電三極管的電流也相應的增加,在反饋電阻R8上形成的反饋電壓也增加,反饋電壓送入到PWM控制器中,經過PWM控制電路使輸出脈沖的寬度變寬,占空比增加,則功率開關管9的導通時間增加,輸出電壓增加,從而使輸出電壓穩定,反之亦然,從而達到穩疋輸出電壓的目的。
4.電路測試結果與分析
電路測試波形如圖8所示

圖8 電路測試波形
1)空載時開關管柵極電壓波形如圖8(a)所示。
2)有載時開關管柵極電壓波形如圖8(b)所示。
由這兩個波形圖對比可以看出,當輸出端帶負載時,輸出電壓會降低,但經過PWM控制電路輸出的送入到開關管柵極的脈沖電壓寬度變寬,開關管的導通時間變長,輸出電壓增加,從而使輸出電壓穩定。
3)空載時變壓器輸出端兩端電壓波形如圖8(c)所示。
4)有載時變壓器輸出端兩端電壓波形如圖8(d)所示。
這兩個波形和柵極電壓波形進行比較,可知當柵極電壓為正,開關管導通時,變壓器原方線圈中有電流流過,但變壓器付方(輸出端)兩端電壓為負,所以該變換器是一個反激變換器。
5)直流耦合時測得的輸出電壓波形如圖8(e)所示。
6)交流耦合時測得的輸出紋波電壓如圖8(f)所示。
從這兩個測試結果可以看出輸出電壓穩定在+12V,輸出電壓的紋波限制在±20mV內,滿足設計要求。
結束語
針對現代電子設備不僅要求直流電源輸出穩定的直流電,對電路的效率要求也越來越高等要求,本文以UC3842為PWM控制器,首先交流電直接經過整流濾波變換為直流高壓,然后采用反激變換器,利用線性光電耦合器、三端可調穩壓管以及采樣電阻構成輸出電壓反饋電路,設計了一種反激式AC-DC開關電源,性能達到了預期指標要求,該設計電路具有精度高、紋波小、效率高、性能可靠等優點。
電話:18923864027(同微信)
QQ:709211280
〈烜芯微/XXW〉專業制造二極管,三極管,MOS管,橋堆等,20年,工廠直銷省20%,上萬家電路電器生產企業選用,專業的工程師幫您穩定好每一批產品,如果您有遇到什么需要幫助解決的,可以直接聯系下方的聯系號碼或加QQ/微信,由我們的銷售經理給您精準的報價以及產品介紹

