LM358是將兩個運算放大器集成在一起的集成電路,因此稱為雙運算集成電路。其的封裝形式有塑封8引線雙列直插式、貼片式和圓形金屬殼封裝等。普遍應用于信號放大、電壓比較電路中。下文介紹基于LM358的聲控延時開關電路設計
1.LM358特性
LM358的內部功能框圖及各引腳功能如圖1所示,LM358內部的兩個運放電路a和b各自獨立,互不影響,因此應用靈活。

圖1 LM358的內部功能框圖及引腳功能
在應用LM358時,通常有單電源供電和雙電源供電兩種供電形式,分別如圖2(a)和(b)所示。

圖2 LM358應用時的兩種供電形式
單電源供電時,電阻R2、R3阻值應相等,兩個電阻的取值范圍為30~100kΩ。參看圖2(a),這時運算放大器的增益由R4/R1的比值決定。雙電源供電時,電阻R1,R2阻值應相等。參看圖2(b),這時運算放大器的增益由R3/R1的比值決定。可見,LM358無論應用于單電源供電,還是應用于雙電源供電,其運算放大器的增益均可根據制作中的要求設計相關電阻器的阻值來確定。
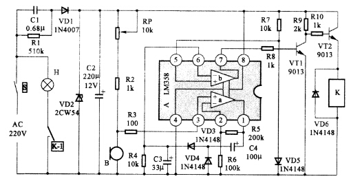
2.聲控延時開關電路設計
2.1電路功能
聲控延時開關電路能通過聲音來控制電氣設備的開或關,還有延時功能。
2.2電路組成
用LM358制作的聲控延時開關電路如圖3所示,主要由電源電路、聲音信號拾取電路、音頻信號處理電路、驅動電路、控制電路等組成。

圖3 LM358制作的聲控延時開關電路
電源電路由220V電源、開關S、電阻器R1、降壓電容器C1、整流二極管VD1、穩壓二極管VD2、濾波電容器C2組成。
聲音信號拾取電路由可調電位器RP,電阻器RI、話簡B組成。
音頻信號處理電路由LM358、電阻器R4~R7.電容器C3和C4、二極管VD3~VD5組成。
驅動電路由電阻器R8~R9、三極管VTI和VT2組成。
控制電路由電磁繼電器K、二極管VD6組成。
2.3工作原理
在用LM358制作的聲控延時開關電路接通220V交流電源電壓后,220V交流電壓經降壓電容器C1降壓,整流二極管VDI整流,穩壓二極管VD2穩壓。濾波電容器C2濾波后,在C2上取得上正下負約6V的低壓直流電源,供以LM358為核心的聲控開關電路使用。
在圖3中,LM358內部運放a被設計為一個放大器,運放b被設計為一個電壓比較器。當聲控延時開關處于無聲響環境時,話筒B處于靜止工作狀態,集成電路LM358的3腳無音頻信號(交流信號)輸人,不能觸發LM358內部運算放大器a工作,LM358的1腳無交流信號輸出,也無信號經電容器C3、二極管VD4送到LM358的6腳,電壓比較器b的反向輸入端便經電阻器R4接地線,偏置為低電壓,而電壓比較器b的同向輸人端就由電阻器R7、二極管VD5偏置為0.7V,于是控制LM358C的7腳輸出高電壓。經電阻R8給三極管VT1加正向偏置電壓,使VT1處于飽和導通狀態,三極管VT2因無偏置電壓而截止,電磁繼電器K不動作,其中觸點開關K-1斷開,燈泡H不亮。
當有響聲時,話筒B便將聲音信號轉換為音頻電信號,經R1送到集成電路LM358的3腳,進人運算放大器a的正向輸入端,經運算放大器a放大后,從a輸出端LM358的1腳輸出音頻交流信號,再經C4、VD3、VD4、C3組成的倍壓整流電路后,變成高電壓信號。由LM358C的6腳送到電壓比較器b的反向輸人端。由于R7、VD5分壓通過LM358C的5腳給電壓比較器b的同向輸入端提供的偏置電壓只有0.7V,就使得比較放大器b的輸出端通過LM358的7腳輸出低電壓,此時的三極管VTI因無偏置電壓而截止,三極管VT2則由于電阻器R9、R10正偏置而導通電流,電磁繼電器K得電使其中的開關K-2吸合,于是燈泡H點亮。
另外,適當選擇電容器C3和電阻器R4的值,可使LM358的6腳輸入端的高電壓保持一段時間,即可以控制延長燈泡點亮的時間。電容器C3的容量越大,電阻器R4的阻值越大,延時時間也就越長。
若將該聲控延時開關安裝于樓梯,則可實現人走完樓梯后自動關燈。
3.電路元件選擇
在制作圖3中聲控延時開關時,A選用LM358型雙運算放大集成電路,可與NE532、μPC358C、μPC1251、TA75358P、HA17358、HA17358、GL358、AN1358S、AN6532、MB47358、LA6358、M5223、BA10358等型號集成電路直接代換使用。VI1、VT2選用9013型硅NPN三極管。VD1選用反向耐壓為1000V的1N4007型硅整流二極管;VD2選用穩壓值為6V的2CW54型穩壓二極管;VD3~VD6均可選用1N4148型硅開關二極管。
R1選用RJ-1W型金屬膜電阻器;R2~R10均選用RJ-1/8W金屬膜電阻器。RP選用WH5型小型合成碳膜可調電位器。C1要求選用CBB-630V聚丙烯電容器,C2、C3、C4均選用CD11-16電解電容器。
B選用CRZ2-113F型駐極體電容話簡。K選用4098或JZC-22F型工作電壓為6V的小型電磁繼電器。
4.后期調試
制作完圖中的聲控延時開關后,要試驗性地調整可調電位器RP,調整方法為:在普通聲強的情況下。該開關不動作;在有較響的聲音時,使聲控延時開關能夠起控。反復調整使兩種情況兼顧即可。
電話:18923864027(同微信)
QQ:709211280
〈烜芯微/XXW〉專業制造二極管,三極管,MOS管,橋堆等,20年,工廠直銷省20%,上萬家電路電器生產企業選用,專業的工程師幫您穩定好每一批產品,如果您有遇到什么需要幫助解決的,可以直接聯系下方的聯系號碼或加QQ/微信,由我們的銷售經理給您精準的報價以及產品介紹

