擴展電流或電壓的方法
(1)利用并聯法擴流、串聯法升壓
使用一只恒流二極管只能提供幾毫安的恒定電流,若將幾只恒流管并聯使用,則可以擴大輸出電流。例如2DH5C型恒流管的IH=5mA,兩只管子并聯后為10mA,電流擴展了一倍。需要指出,將幾只恒流二極管并聯使用時,恒流源的起始電壓等于這些管子中的最大值,而正向擊穿電壓則等于這些管子中的最小值。此外,在擴展電流的同時,恒流源的動態阻抗將變小。
利用串聯法可以提升電壓。例如,將幾只性能相同的恒流二極管串聯使用,可將耐壓值提高到100V以上。假如每只管子的恒流值不等,那末恒流值較小的管子將首先進人恒流狀態。必要時可給IH值較小的管子并聯一只分流電阻,使各管子同時進人恒流狀態。
(2)利用晶體管、場效應管進行擴流及升壓
擴流及升壓電路分別如圖1(a)、(b)所示。

圖1 恒流二極管擴流電路和升壓電路
圖1(a)是由晶體管JE9013和恒流二極管構成的擴流電路。設恒流管的恒定電流為IH ;JE9013的共發射極電流放大系數為hFE,擴展后的恒流值由下式確定:
IH ‘=(hFE +1)IH≈hFE IH
由結型場效應管3DJ6與恒流二極管組成的升壓電路如圖1(b)所示。R1、R2均為偏置電阻,阻值應取幾十兆歐。令恒流二極管的正向擊穿電壓為V(BO),結型場效應管的漏--源極擊穿電壓為V1,則恒流源的耐壓值V2=V(BO)+V1
同時進行擴流和升壓
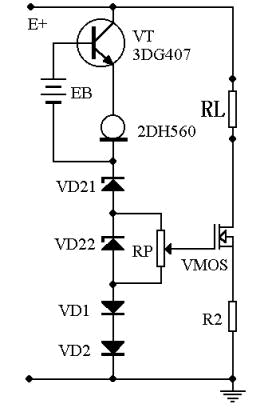
某些情況下要求對恒流二極管同時進行擴流與升壓,這時可采用如圖2所示的電路?,F由NPN型高反壓管VT(3DG407)、恒流二極管2DH560、輔助電源EB構成擴流電路。2DH560的IH=5.60mA,起始電壓VS=4.0V,設VT的發射結壓降VBE=0.65V,EB應大于VS與VBE之和(4.65V)。VD1和VD2為溫度補償二極管。輸出級采用VMOS管,其柵極電壓由穩壓管VDz1、VDz2和電位器RP所決定。

圖2 恒流二極管同時擴流和升壓的應用
VMOS管屬于高效場效應功率管,其性能遠優于雙極型功率管。它具有輸人阻抗高、驅動電流小、耐壓高(最高可承受1200V的高壓)、工作電流大(1.5~100A)、輸出功率高(1~250W)等優點。該恒流源電路能同時達到擴展恒定電流與提高工作電壓之雙重目的。在業余條件下,亦可用3只3DD15型大功率晶體管并聯后代替VMOS管,但是要求這些管子的hFE值必須一致,并且要給每只管子加裝合適的散熱器。
烜芯微專業制造二極管,三極管,MOS管,橋堆等20年,工廠直銷省20%,4000家電路電器生產企業選用,專業的工程師幫您穩定好每一批產品,如果您有遇到什么需要幫助解決的,可以點擊右邊的工程師,或者點擊銷售經理給您精準的報價以及產品介紹
烜芯微專業制造二極管,三極管,MOS管,橋堆等20年,工廠直銷省20%,4000家電路電器生產企業選用,專業的工程師幫您穩定好每一批產品,如果您有遇到什么需要幫助解決的,可以點擊右邊的工程師,或者點擊銷售經理給您精準的報價以及產品介紹

