mosfet
本文主要講mosfet應用開關電路中。mosfet簡稱金氧半場效晶體管(Metal-Oxide-Semiconductor Field-Effect Transistor, MOSFET)是一種可以廣泛使用在模擬電路與數字電路的場效晶體管(field-effect transistor)。 [1] MOSFET依照其“通道”(工作載流子)的極性不同,可分為“N型”與“P型” 的兩種類型,通常又稱為NMOSFET與PMOSFET,其他簡稱上包括NMOS、PMOS等。

mosfet應用在開關電路中
mosfet應用,在一些簡單的小功率開關電路中,利用雙極結型三極管(BJT,Bipolar Junction Transistor)作為開關管時可能會遇到輸入電流不足,BJT工作狀態無法正確配置,進而無法實現電路功能的情況。
例如圖1所示的一個使用BJT SS8050LT作為開關管的加熱控制電路,BJT為共射極連接。將BJT視為一個二端口網絡,輸入端口為電阻與NTC型熱敏電阻構成的基極分壓回路,參數分別為基極-發射極電壓以及流入基極的電流;輸出端口沒有連接任何負載,參數分別為集電極與發射極兩端的電壓和集電極電流。49Ω基極電阻作為發熱器件,由8個390Ω電阻并聯而成。

圖1BJT加熱控制電路
圖1所示的加熱控制電路設計的功能可描述為:當環境溫度為常溫25℃時,熱敏電阻的阻值為10.000kΩ,基極-發射極電壓,BJT未導通,電路未工作;當環境溫度下降到10℃時,熱敏電阻的阻值增大至17.958kΩ,基極-發射極電壓,BJT導通,集電極電流流過基極電阻,電阻發熱,電路正常工作。
顯然,電路中BJT的工作狀態需要處于飽和區內,保證電壓盡可能多的電壓落在基極電阻的兩端,提高電阻的發熱功率。根據BJT的工作原理可知,BJT的發射極和集電極均處于正向偏置的區域為飽和區。在這一區域內,一般有,因而集電極內電場被削弱,集電極收集載流子的能力減弱,這時電流分配關系不再滿足,隨增加而迅速上升,如圖2所示。飽和區內的很小,稱為BJT的飽和壓降,其大小與及有關。圖中虛線是飽和區與放大區的分界線,稱為臨界飽和線。對于小功率管,可以認為當(即)時,BJT處于臨界飽和(或臨界放大)狀態。

圖2BJT SS8050LT共射極連接時的輸出特性曲線
要想使BJT工作在飽和區內,就要增大基極-發射極電壓,而環境溫度越低,熱敏電阻阻值越大,從而增大。但是必須注意到,BJT輸入端口的基極分壓回路電阻越大,輸入電流則越小。具體來說,在BJT導通后,基極-發射極電壓,基極分壓回路總電流,從圖1.2中可以看出,流入基極的電流太小,BJT無法工作在正常狀態下,電路功能無法實現。而且由于NTC型熱敏電阻的器件選型限制,無法改用更小阻值的分壓電阻來降低基極分壓回路的總電阻值。對于這種BJT流控器件的限制,可以采用MOSFET壓控器件來代替。
原理描述
MOSFET全稱為Metal-Oxide-Semiconductor Field Effect Transistor,中文名稱為金屬-氧化物-半導體場效應管。隨著制造工藝的成熟,MOSFET兼有體積小、重量輕、耗電省、壽命長等特點。而且MOSFET還有輸入阻抗高、噪聲低、熱穩定性好、抗輻射能力強等優點,因而獲得了廣泛的應用,特別是在大規模和超大規模集成電路中占有重要的地位。
作為一種場效應管(FET),MOSFET為單極型器件,即管子只有一種載流子(電子或空穴)導電。從導電載流子的帶電極性來看,MOSFET有N(電子型)溝道和P(空穴型)溝道之分;按照導電溝道形成機理不同,又有增強型(E型)和耗盡型(D型)的區別。
mosfet應用,以N溝道增強型MOSFET AO3400A舉例,AO3400A的輸出特性如圖4所示。將曲線圖分為三個區域,分別為截止區、可變電阻區、飽和區(恒流區又稱放大區)。
1)截止區
當時,導電溝道尚未形成,,為截止工作狀態。
2)可變電阻區
當時,MOSFET處于可變電阻區,此時輸出電阻受控制。
3)飽和區
當,且時,MOSFET進入飽和區。不隨變化,而是由柵源極電壓控制。

圖4AO3400A輸出特性
方案論證
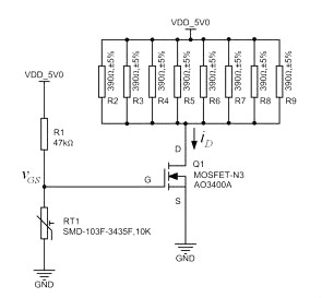
mosfet應用,根據上述MOSFET的原理敘述,在上面提到的加熱控制電路中應該采用N溝道增強型MOSFET代替原有的BJT,這里選擇AO3400A,于是有如圖5所示的MOSFET共源極放大電路。由于MOSFET是電壓控制器件,所以提供合適的柵源極電壓,就可以建立合適的靜態工作點,使電路工作在正常狀態。

圖5MOSFET加熱控制電路
根據N溝道增強型MOSFET AO3400A的數據手冊,AO3400A的開啟電壓在常溫25℃下為。當環境溫度下降到10℃時,電路開始工作。此時NTC型熱敏電阻的阻值增大至17.958kΩ,MOSFET導通,即柵源極電壓,在這里需要將分壓電阻的阻值調整為47kΩ。隨著溫度的下降,柵源極電壓增大,流過發熱電阻的電流也隨著增大。
舉例說明,當環境溫度下降到-20℃時,熱敏電阻的阻值增大至67.801kΩ,柵源極電壓增大至。使用萬用表實測得到漏源極電壓,說明MOSFET工作在可變電阻區內;同時測得漏極電流,可計算得到發熱電阻的功率為,實際發熱效果可靠,電路功能實現。
mosfet的開關特性
詳解mosfet應用在開關電路中的應用后,現在來看看mosfet的開關特性。MOS管最顯著的特點也是具有放大能力。不過它是通過柵極電壓uGS控制其工作狀態的,是一種具有放大特性的由電壓uGS控制的開關元件。
1、靜態特性
MOS管作為開關元件,同樣是工作在截止或導通兩種狀態。由于MOS管是電壓控制元件,所以主要由柵源電壓uGS決定其工作狀態。圖下(a)為由NMOS增強型管構成的開關電路。

2、 漏極特性
反映漏極電流iD和漏極-源極間電壓uDS之間關系的曲線族叫做漏極特性曲線,簡稱為漏極特性,也就是表示函數 iD=f(uDS)|uGS的幾何圖形,如圖(a)所示。當uGS為零或很小時,由于漏極D和源極S之間是兩個背靠背的PN結,即使在漏極加上正電壓(uDS>0V),MOS管中也不會有電流,也即管子處在截止狀態。
當uGS大于開啟電壓UTN時,MOS管就導通了。因為在UGS=UTN時,柵極和襯底之間產生的電場已增加到足夠強的程度,把P型襯底中的電子吸引到交界面處,形成的N型層——反型層,把兩個N+區連接起來,也即溝通了漏極和源極。所以,稱此管為N溝道增強型MOS管??勺冸娮鑵^:當uGS>UTN后,在uDS比較小時,iD與uDS成近似線性關系,因此可把漏極和源極之間看成是一個可由uGS進行控制的電阻,uGS越大,曲線越陡,等效電阻越小,如圖(a)所示。恒流區(飽和區):當uGS>UTN后,在uDS比較大時,iD僅決定于uGS(飽和),而與uDS幾乎無關,特性曲線近似水平線,D、S之間可以看成為一個受uGS控制的電流源。在數字電路中,MOS管不是工作在截止區,就是工作在可變電阻區,恒流區只是一種瞬間即逝的過度狀態。
3、轉移特性
反映漏極電流iD和柵源電壓uGS關系的曲線叫做轉移特性曲線,簡稱為轉移特性,也就是表示函數 iD=f(uGS)|uDS的幾何圖形,如圖(b )所示。當uGS<UTN時,MOS管是截止的。當uGS>UTN之后,只要在恒流區,轉移特性曲線基本上是重合在一起的。曲線越陡,表示uGS對iD的控制作用越強,也即放大作用越強,且常用轉移特性曲線的斜率跨導gm來表示。
4、P溝道增強型MOS管
上面講的是N溝道增強型MOS管。對于P溝道增強型MOS管,無論是結構、符號,還是特性曲線,與N溝道增強型MOS管都有著明顯的對偶關系。其襯底是N型硅,漏極和源極是兩個P+區,而且它的uGS、uDS極性都是負的,開啟電壓UTP也是負值。P溝道增強型MOS管的結構、符號、漏極特性和轉移特性如圖所示。

烜芯微專業制造二極管,三極管,MOS管,橋堆等20年,工廠直銷省20%,4000家電路電器生產企業選用,專業的工程師幫您穩定好每一批產品,如果您有遇到什么需要幫助解決的,可以點擊右邊的工程師,或者點擊銷售經理給您精準的報價以及產品介紹

